-
Koszyk jest pusty
-
x
-
Koszyk jest pusty
-
x
-
Zawór termostatyczny kątowy zespolony biały TULLY
| Wysyłka w ciągu | 24 godziny |
| Cena przesyłki | 12.9 |
| Dostępność |
|
| Kod kreskowy | |
| EAN |
Zamówienie telefoniczne: 795 482 557
| Zostaw telefon |
Zawór termostatyczny kątowy zespolony biały TULLY do grzejnika z maskownicą
W skład zestawu wchodzą:
- 1 zawór kątowy zespolony,
- głowica termostatyczna,
- nyple redukcyjne 3/4"x1/2"
- złączki 3/4": 16x2 PEX, 15x1 CU

WARTO WIEDZIEĆ:
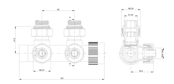
Zawór termostatyczny kątowy zespolony TULLY przeznaczony jest do montażu na grzejniku centralnego ogrzewania o rozstawie przyłącza 50mm
Głowicę termostatyczną montować po stronie zasilania.
Przyłącza ustawiane są fabrycznie w pozycji otwartej.
Nastawa wstępna w przyłączu odbywa się po stronie wkładki zaworu odcinającego.

Dane techniczne:
Temperatura pracy max. 120°C
Ciśnienie nominalne max. 1MPa
Czynnik grzewczy woda
Ciśnienie próbne 1.5MPa
Gwint montażowy głowicy: M30x1,5
Nastawa wstępna na wkładce zaworu odcinającego
Przyłącze grzejnikowe R 1/2
Wersja Kątowa
Poniżej zamieszczamy rysunki z wymiarami: zaworu termostatycznego kątowego zespolonego TULLY.

DODATKOWE INFORMACJE DLA CIEBIE - MOŻLIWOŚCI!
KOLORYSTYKA:
Zawory termostatyczne, kątowe, zespolone Tully możesz kupić w kolorach: biały, czarny i chrom.

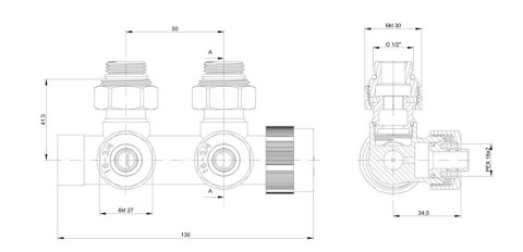
MOŻLIWOŚCI PODŁĄCZEŃ:
Zawory termostatyczne, zespolone, kątowe Tully możesz podłączyć do grzejnika gdy masz wejścia:
- dolne środkowe - jak prezentuje schemat poniżej
MOŻLIWE INSTALACJE:
Zawór termostatyczne, zespolone, kątowe TULLY możesz podłączyć zarówno do instalacji PEX 16mm - aby to zrobić musisz dobrać tylko właściwe złączki
Zawór termostatyczne, zespolone, kątowe TULLY możesz podłączyć również do instalacji CU 15mm - aby to zrobić musisz dobrać tylko właściwe złączki
- Producenci